Advanced Control Systems for Mixers | Reliance Mixers
sales@reliancemixers.com | 1900 FM 1092, Missouri City, TX 77459

Control Systems

Automating the weighing and conveying of bulk materials is becoming more of a requirement in blending production facilities. Ingredients that arrived at the plant must be fed into the production system via some sort of conveyance lines and weighed to accurate levels for production. Regardless of if the source is from a railcar, tanker, bulk bag, or tote all materials should be accurately weighed and conveyed into the Blending System and facility to optimize operations.

Request A Quote
Control-System-Weighing-Conveying-Systems -Reliance Mixers.com

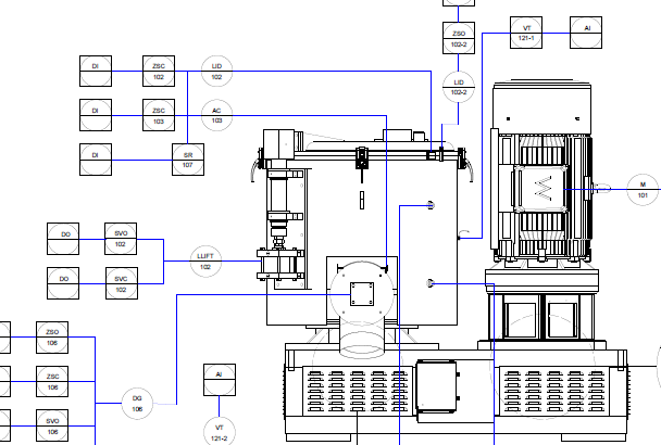
Control System : Weighing & Conveying Systems

Automating the weighing and conveying of bulk materials is becoming more of a requirement in blending production facilities. Ingredients that arrived at the plant must be fed into the production system via some sort of conveyance lines and weighed to accurate levels for production. Whether these come via rail car, tanker, bulk bags, etc.

Conveying System Design

Bringing in materials from silos and tanks requires properly sized lines, blowers, valves, transitions, and accessories. This is because if components are not sized right the overall conveying system can drastically reduce your output from your system.

Ensuring Accuracy and Quality

As material flows into Scale Hoppers, accurate weights and volumes must be achieved in order to maintain high levels of consistency and quality. Therefore, Isolation valves, load cells, air transducers, and other special instrumentation must be in place.

Control-System-Report-Generation-and-Remote-Assistance - Reliance Mixers.com

Control System : Report Generation and Remote Assistance

One of the main advantages of a Controls Package is its ability to generate reports and integrate with existing plant systems. When information is fed from your Plants Manufacturing Systems into your Office’s Business Information Systems, real-time decisions and analysis can be made.

Retrofit-and-System-Upgradation
Retrofit-and-System-Upgradation

Retrofit and System Upgradation

Many aging Blending Systems can be upgraded from the technology that was used in the ’80s and ’90s when they were first created. Most of the hardware and software in these systems are out of date and not supported by the OEM. When giving a Face-Lift to existing Systems, upgrades on basic components can increase reliability and production throughput. In addition, this can also eliminate bottlenecks that have developed over time.

Get to Know Our Mixers Better

At Reliance Mixers, we go above and beyond simply providing the finest mixing equipment in the industry.

    Leave us a message and we'll get back to you shortly!

    Mixer-Discharge

    States We Cover